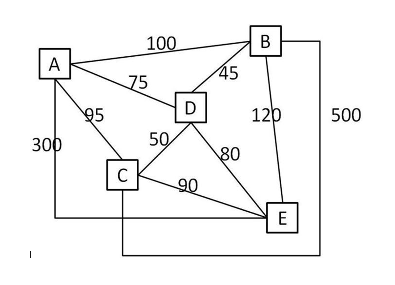
Question: There are 5 cities (A to E) in the routing map with distances. Revisiting any city is not allowed, and your route must visit all

There are 5 cities (A to E) in the routing map with distances. Revisiting any city is not allowed, and your route must visit all 5 cities. (Don't return to the starting city)
Use the Nearest Neighbor Heuristic to find the shortest route with the starting city as,
1. City A
2. City E
Are they equal? If not, which one is shorter?
100 B A 45 75 95 D 12b 500 300 50 80 90 E |Step by Step Solution
There are 3 Steps involved in it
1 Expert Approved Answer
Step: 1 Unlock
Question Has Been Solved by an Expert!
Get step-by-step solutions from verified subject matter experts
Step: 2 Unlock
Step: 3 Unlock
