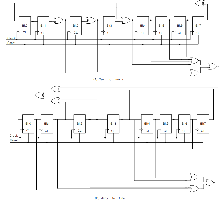
Question: These are picture ( A ) one - to - many n bit ( n = 8 ) LSFR Code. Please write picture ( B
These are picture A onetomany n bitnLSFR Code. Please write picture B manytoone n bitn LSFR verilog Code and test bench code. Please refer to the onetomany code and make it as similar as possible!!
picture A Verilog Code is this one.
: define TAPb
: define TAPb
: define TAPb
: define TAPb
: define TAPb
: define TAPb
: define TAPb
: define TAPb
: define TAPb
: define TAPb
: define TAPb
: define TAPb
: define TAPb
: define TAPb
: define TAPb
: define TAPb
: define TAPb
: define TAPb
: define TAPb
: define TAPb
: define TAPb
: define TAPb
: define TAPb
: define TAPb
: define TAPb
: define TAPb
: define TAPb
: define TAPb
: define TAPb
: define TAPb
: define TAPb
:
: define TAPS TAP
: module LFSRnbitClock Reset, Y;
: parameter Width ;
: input Clock, Reset;
: output Width : Y;
: wire Width : Taps;
: integer N;
: reg BitsNminusZero, Feedback;
: reg Width : LFSRReg, NextLFSRReg;
: assign TapsWidth :TAPS;
: always@negedge Reset or posedge Clock
: begin : LFSRRegister
: ifReset
: LFSRReg ;
: else
: LFSRReg NextLFSRReg;
: end
:
: always@LFSRReg
: begin : LFSRFeedback
:
: BitsNminusZero ~ LFSRRegWidth :;
: Feedback LFSRRegWidth BitsNminusZero;
:
: forNWidth;N;NN
: ifTapsN
:
: NextLFSRRegN LFSRRegN Feedback;
: else
: NextLFSRRegN LFSRRegN;
: NextLFSRReg Feedback;
: end
:
: assign Y LFSRReg;
: endmodule
And
: timescale nsns
: module tbLFSRnbit;
: reg Clock;
: reg Reset;
: wire : Y;
: LFSRnbit LFSRnbitClockClockResetResetYY;
: always # Clock~Clock;
: initial begin
: Reset; Clock;
: # Reset;
: # Reset;
: end
: endmoduleA One to many
B Many to One
Step by Step Solution
There are 3 Steps involved in it
1 Expert Approved Answer
Step: 1 Unlock
Question Has Been Solved by an Expert!
Get step-by-step solutions from verified subject matter experts
Step: 2 Unlock
Step: 3 Unlock
