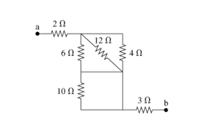
Question: What is the equivalent resistance between points a and b in ( Figure 1 ) ? Express your answer in ohms to one significant figure.
What is the equivalent resistance between points a and b in Figure
Express your answer in ohms to one significant figure.
Step by Step Solution
There are 3 Steps involved in it
1 Expert Approved Answer
Step: 1 Unlock
Question Has Been Solved by an Expert!
Get step-by-step solutions from verified subject matter experts
Step: 2 Unlock
Step: 3 Unlock
