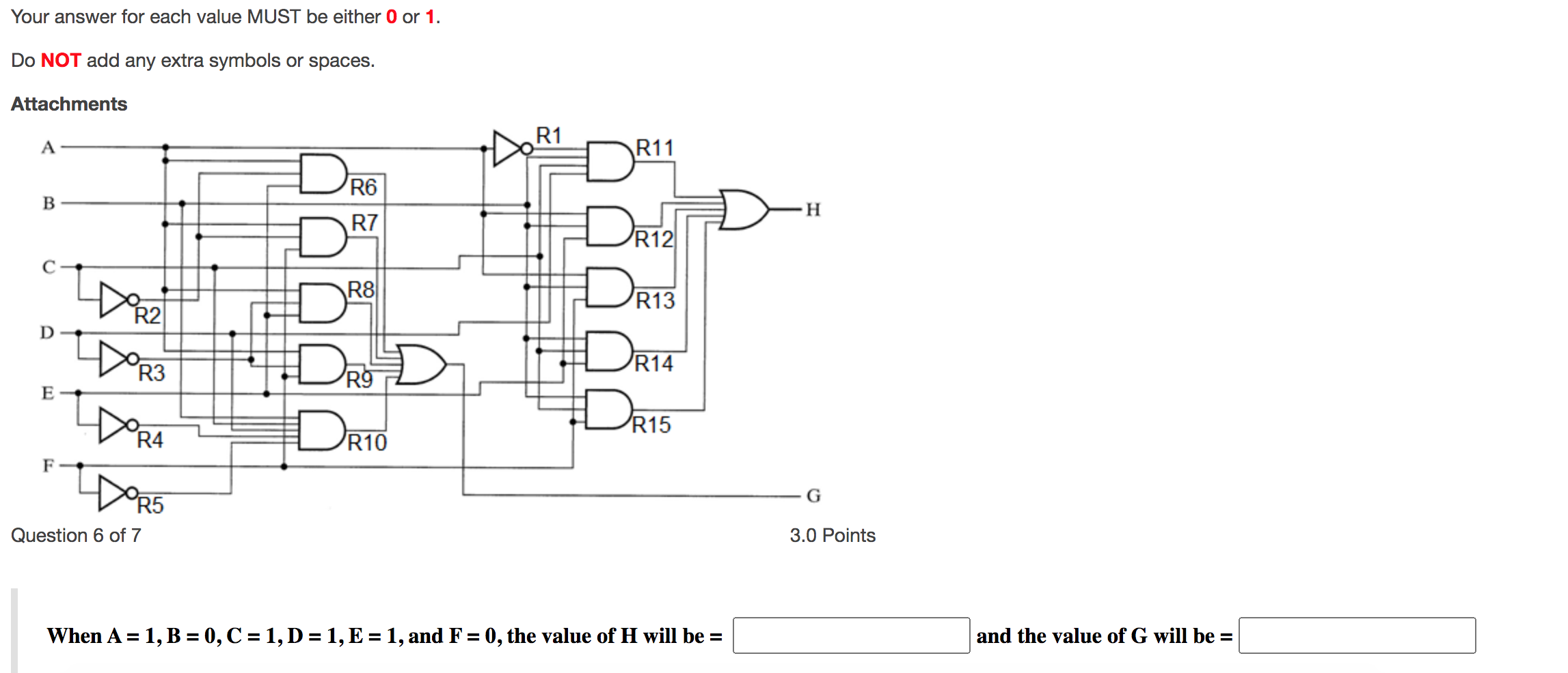
Question: Your answer for each value MUST be either 0 or 1. Do NOT add any extra symbols or spaces. Attachments R1 A R11 D. R6

Your answer for each value MUST be either 0 or 1. Do NOT add any extra symbols or spaces. Attachments R1 A R11 D. R6 B H R7 DR12 R8 R2 D DRIB DRIA DR15 R3 D O R9 E DORA DRio F G PR5 Question 6 of 7 3.0 Points When A= 1, B = 0, C = 1, D = 1, E = 1, and F = 0, the value of H will be = and the value of G will be =
Step by Step Solution
There are 3 Steps involved in it
Get step-by-step solutions from verified subject matter experts
