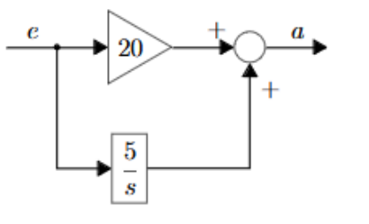
Question: 1 . Find the transferfunction A ( s ) / E ( s ) 2 . What is the static gain of the regulator? 3
Find the transferfunction AsEs
What is the static gain of the regulator?
What is the buck frequency of the regulator?
Step by Step Solution
There are 3 Steps involved in it
1 Expert Approved Answer
Step: 1 Unlock
Question Has Been Solved by an Expert!
Get step-by-step solutions from verified subject matter experts
Step: 2 Unlock
Step: 3 Unlock
