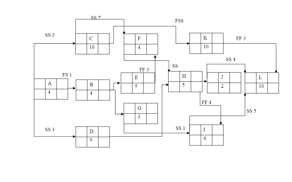
Question: 1. Given the AON network in the Figure, determine the ES, EF, LS, LF, TF, and FF of each activity. Also indicate the critical path


1. Given the AON network in the Figure, determine the ES, EF, LS, LF, TF, and FF of each activity. Also indicate the critical path on the network
Step by Step Solution
There are 3 Steps involved in it
1 Expert Approved Answer
Step: 1 Unlock
Question Has Been Solved by an Expert!
Get step-by-step solutions from verified subject matter experts
Step: 2 Unlock
Step: 3 Unlock
