Question: 1. Given the circuit shown below with input x and outputs A, B, and C. (a) Form the characteristic equations of the memory element Anext
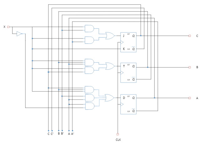
1. Given the circuit shown below with input x and outputs A, B, and C.
(a) Form the characteristic equations of the memory element Anext (An), Bnext (Bn), and Cnext (Cn).
(b) From the characteristic equations, please form the characteristic table with column labels from left to right as x, A, B, C.
(c) From the characteristic table, please form the state diagram of the circuit. Please assume the node labels given as ABC.

In the circuit above, the line labels A, A', B, B', C and C', are used to help in computing the flip-flops inputequations, they are internal to the circuit. The external inputs and outputs are x, CLK, A, B, and C. CLK is used for synchronization. The SET and CLR in the memory elements are asynchronous or synchronous set and clear and can be ignored.
C C' BB A A CLK a
Step by Step Solution
There are 3 Steps involved in it
Get step-by-step solutions from verified subject matter experts
