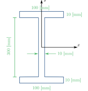
Question: A 3 [ m ] long column is pin - pin connected and supports an axial compressive load of 3 [ kN ] . The
A m long column is pinpin connected and supports an axial compressive load of
kN The crosssection of the column is shown below. The column is made from S
steel E GPa Determine if the column will buckle. Hint: You will need to
determine the second moment of area about the x and y axes separately and find the
critical buckling load for each case.
Step by Step Solution
There are 3 Steps involved in it
1 Expert Approved Answer
Step: 1 Unlock
Question Has Been Solved by an Expert!
Get step-by-step solutions from verified subject matter experts
Step: 2 Unlock
Step: 3 Unlock
