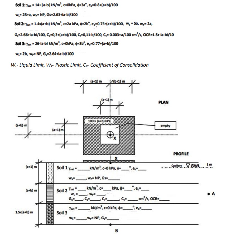
Question: a = 7 b = 1 . Draw the total and effective stress diagrams and calculate their value for the mid height of clay (
a b Draw the total and effective stress diagrams and calculate their value for the mid height of clay
A in the figure.
Find the total settlement of point X under the foundation loads given in figure.
If the Soil is drained at both sides, how long will it take for settlement to occur?
Calculate the horizontal stress acting on point B
Step by Step Solution
There are 3 Steps involved in it
1 Expert Approved Answer
Step: 1 Unlock
Question Has Been Solved by an Expert!
Get step-by-step solutions from verified subject matter experts
Step: 2 Unlock
Step: 3 Unlock
