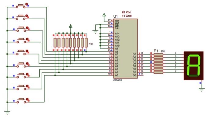
Question: A system must be implemented in simulation (Proteus) that depending on the switch pressed from digit to digit your (A01351068) to 9 digits including A.
A system must be implemented in simulation (Proteus) that depending on the switch pressed from digit to digit your (A01351068) to 9 digits including A. If no button is pressed, or more than one, the display must be off. It is important to note that if a switch is pressed the input
corresponding to the memory will be at logical 0 (1 if not pressed).
Delivery:
1. Corresponding data table (address and data to be programmed)
example with A and 0

Archivo Edicin formoto Ver Ayudo dir en binario
Step by Step Solution
There are 3 Steps involved in it
1 Expert Approved Answer
Step: 1 Unlock
Question Has Been Solved by an Expert!
Get step-by-step solutions from verified subject matter experts
Step: 2 Unlock
Step: 3 Unlock
