Question: below is the previous problem done. Design a circuit that has the following characteristic table. (Hint: Connect two D flip-flops in a manner similar to

below is the previous problem done.

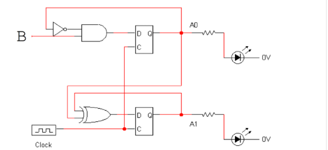
Design a circuit that has the following characteristic table. (Hint: Connect two D flip-flops in a manner similar to that shown in the previous problem.) Current state State after next clock pulse . A 0 0 0 0 1 0 0 1 1 0 0 1 0 1 1 0 1 1 0 0 1 0 0 1 0 1 0 1 1 1 1 1 0 0 0 1 1 1 0 AD B D 0 OV DH A1 ULL C OV Clock
Step by Step Solution
There are 3 Steps involved in it
Get step-by-step solutions from verified subject matter experts
