Question: C) Lab Activities: i. Complete the truth table and write the Boolean expression for the following logic circuit: 11. A R Y= A B




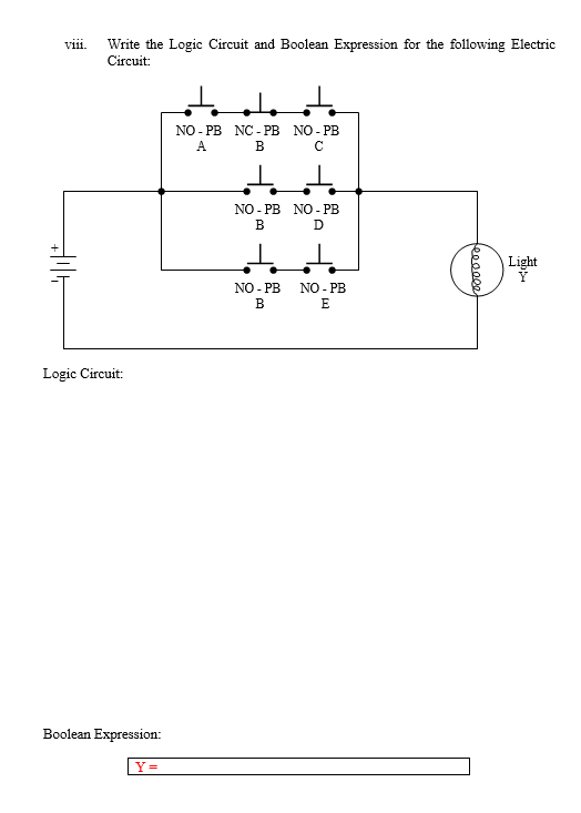
C) Lab Activities: i. Complete the truth table and write the Boolean expression for the following logic circuit: 11. A R Y= A B Y 0 0 0 1 1 0 1 1 Y Complete the truth table and write the Boolean expression for the following logic circuit: B Y= A B Y 0 0 0 1 1 0 1 1 Y 111. iv. A B Complete the truth table and write the Boolean expression for the following logic circuit: A B Y 0 0 0 1 1 0 1 1 Y= Y Complete the truth table and write the Boolean expression for the following logic circuit: B Y= A B Y 0 0 0 1 1 0 1 1 Y V. vi. Complete the truth table and write the Boolean expression for the following logic circuit: A B R C A B C Y 0 0 0 0 0 1 0 1 0 0 1 1 1 0 0 1 0 1 1 1 0 1 1 1 Y Y= Complete the truth table and write the Boolean expression for the following logic circuit: A B 2 A B C Y 0 0 0 0 0 1 0 1 0 0 1 1 1 0 0 1 0 1 1 1 0 1 1 1 Y= Y D 2 R 50 A vii. Complete the truth table and write the Boolean expression for the following logic circuit: A B C D Y 0 0 0 0 0 0 0 1 0 0 1 0 0 0 1 1 0 1 0 0 0 1 0 1 0 1 1 0 0 1 1 1 1 0 0 0 1 0 0 1 1 0 1 0 1 0 1 1 1 1 0 0 1 1 0 1 1 1 1 0 1 1 1 1 Y= viii. Write the Logic Circuit and Boolean Expression for the following Electric Circuit: Logic Circuit: NO PB NC - PB A Boolean Expression: Y= B NO-PB NO - PB NO-PB B D NO-PB B NO - PB E leeoooe Light Y
Step by Step Solution
There are 3 Steps involved in it
Get step-by-step solutions from verified subject matter experts
