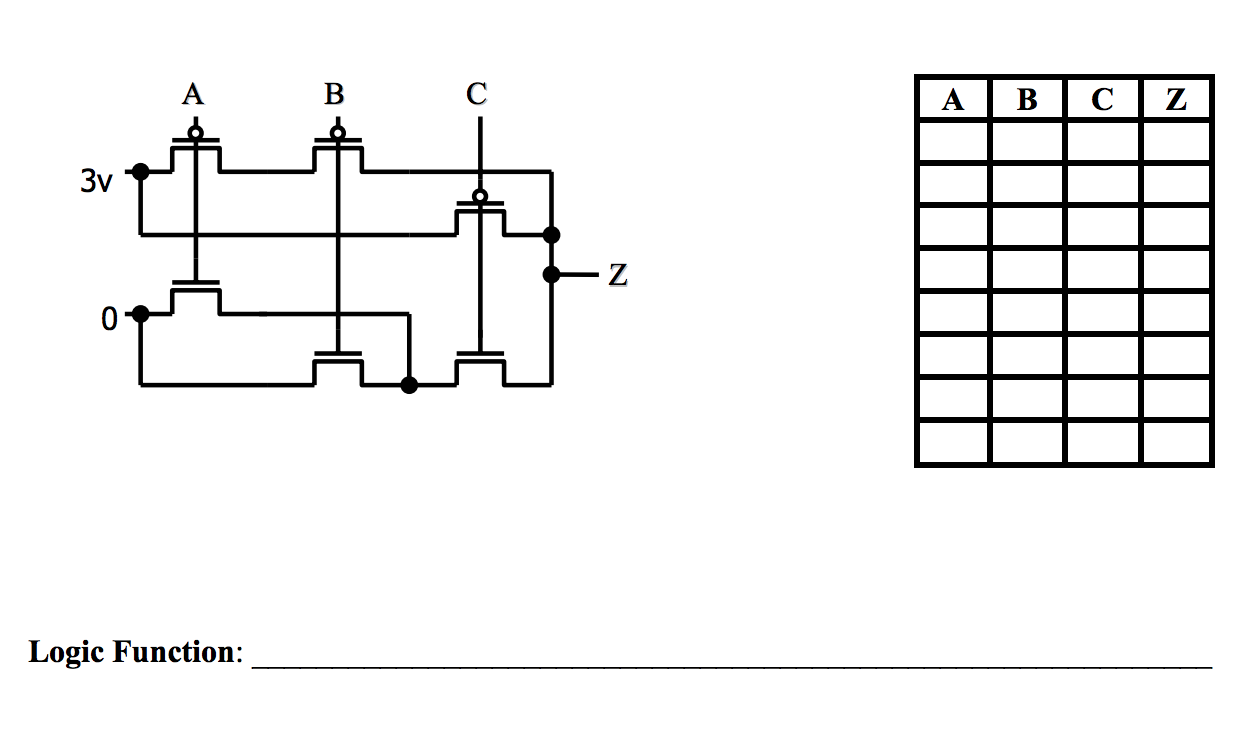
Question: (CMOS Network) Construct a truth table for the following circuit and show what logic function the circuit implements, then obtain a logic expression for the
(CMOS Network) Construct a truth table for the following circuit and show what logic function the circuit implements, then obtain a logic expression for the output Z.
A B C | Z N Logic Function
Step by Step Solution
There are 3 Steps involved in it
Get step-by-step solutions from verified subject matter experts
