Question: Consider the stirred-tank heating system shown below. It is desired to control temperature T2 by adjusting the heating rate Q2 via voltage signal V2 .
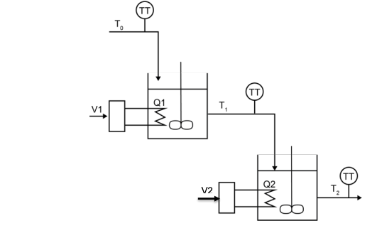
Consider the stirred-tank heating system shown below. It is desired to control temperature T2 by adjusting the heating rate Q2 via voltage signal V2. It has been suggested that measurements of T1 and T0 as well as of T2 could provide improved control T2.
(a) Briefly describe how such a control system might operate, and sketch a schematic diagram. State any assumptions that you make.
(b) Indicate how you would classify different aspects of your control scheme for example, feedback, cascade, feedforward, etc. Briefly justify your answer.
(c) Draw a block diagram of the system.

E V1 M V2 ws
Step by Step Solution
There are 3 Steps involved in it
a Control System Operation and Schematic Diagram Description 1 System Overview The system consists of two stirredtank heaters Temperature T2 is contro... View full answer
Get step-by-step solutions from verified subject matter experts
