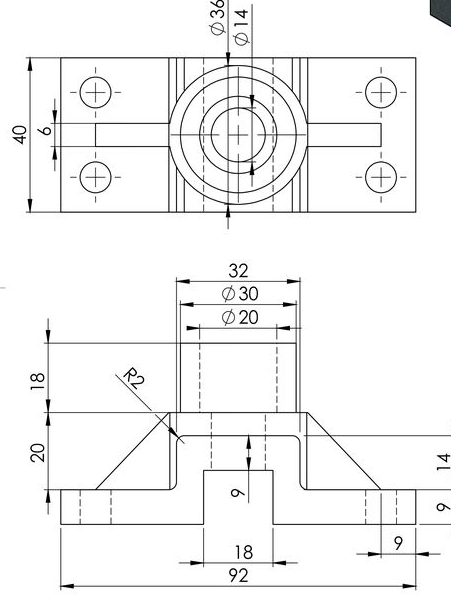
Question: Create this part in Solid edge. Show each step and provide the Orthographic projections of the part.
Create this part in Solid edge.
Show each step and provide the Orthographic projections of the part.
Step by Step Solution
There are 3 Steps involved in it
1 Expert Approved Answer
Step: 1 Unlock
Question Has Been Solved by an Expert!
Get step-by-step solutions from verified subject matter experts
Step: 2 Unlock
Step: 3 Unlock
