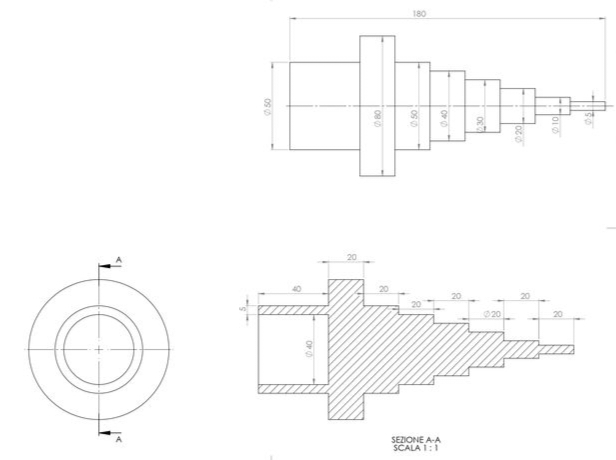
Question: Create this part using SOLID EDGE software: Show each step on how to create this part. Provide an isometric view in 3 D . Provide
Create this part using SOLID EDGE software:
Show each step on how to create this part.
Provide an isometric view in D
Provide orthographic projections of the given part in rd angle projection.
Don't just provide a description; provide the screenshots of the solution. Incorrect answers will be disliked.
Step by Step Solution
There are 3 Steps involved in it
1 Expert Approved Answer
Step: 1 Unlock
Question Has Been Solved by an Expert!
Get step-by-step solutions from verified subject matter experts
Step: 2 Unlock
Step: 3 Unlock
