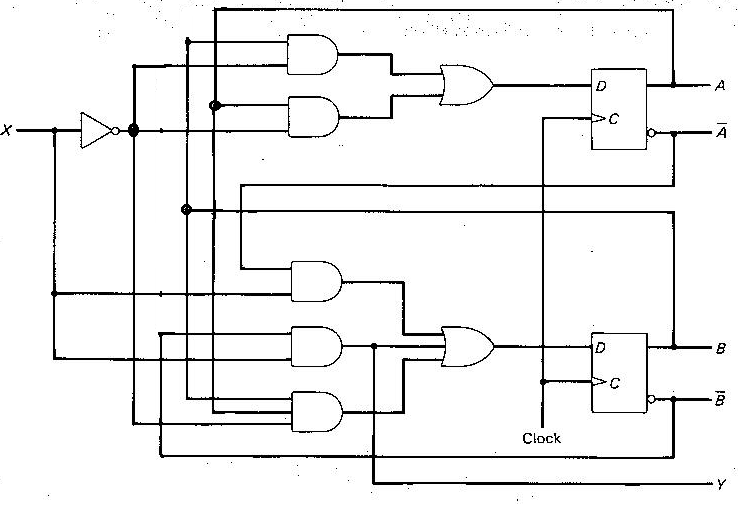
Question: Derive the input equations, sta te table and state diagram of the following sequential circuit. 2 2 Clock Clock
Derive the input equations, sta
te table and state diagram of the following sequential circuit.
2 2 Clock
Clock
Step by Step Solution
There are 3 Steps involved in it
Get step-by-step solutions from verified subject matter experts
