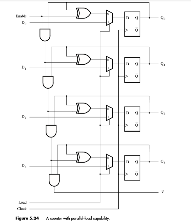
Question: Design a four-bit synchronous counter with parallel load. Us eTip-ops, instead of the D ip-ops used in Section 5.9.3. Enable 0 Do D2 7 Load
Design a four-bit synchronous counter with parallel load. Us
eTip-ops, instead of the D ip-ops used in Section 5.9.3.
Enable 0 Do D2 7 Load Clock Figure 5.24 A counter with parallel-load capability
Step by Step Solution
There are 3 Steps involved in it
Get step-by-step solutions from verified subject matter experts
