Question: (Digital Logic Design) Design a counter to be used as a 30-second shot clock controller. ( Using a digital circuit, D or JK flip-flops )
(Digital Logic Design)
Design a counter to be used as a 30-second shot clock controller. (Using a digital circuit, D or JK flip-flops)
1.) The clock must be easy to reset.
2.) A light/or buzzer should go off when the shot clock reaches zero. (should output 1 when the clock hits 00)
3.) The shot clock value is displayed in decimal (This part requires the use of a decoder and 7 segment display at the end, and is understood).
4.) The user should be able to load a value at any time (For this design we can keep the user input as binary for now).
Lastly, it is not required for the clock to restart the count itself. If the user hits reset, it should then count.
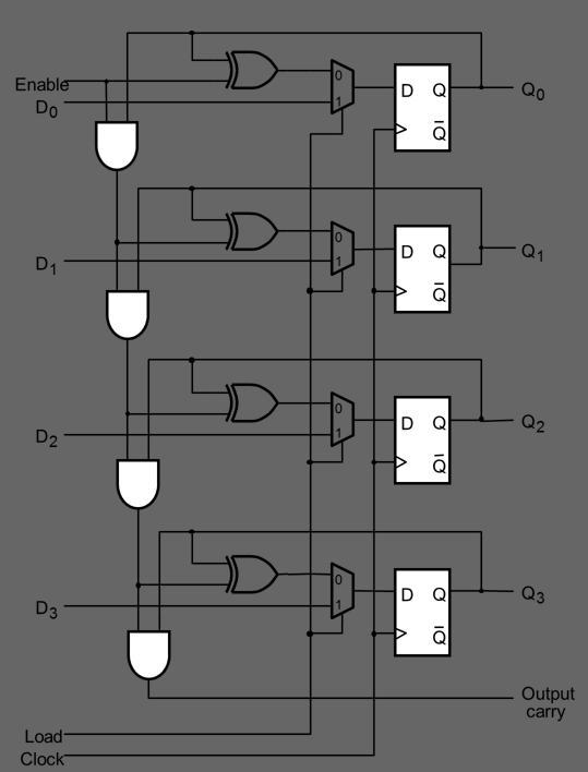
(Below is an example of a 4-bit counter)

Enabl D Q D Q D Q D Q Output carry Load Cloc
Step by Step Solution
There are 3 Steps involved in it
Get step-by-step solutions from verified subject matter experts
