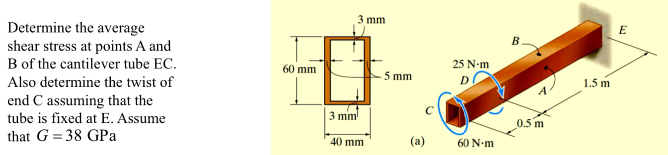
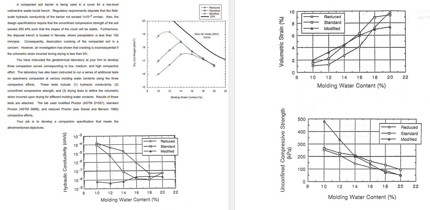
Civil Engineering Questions and Answers March 04, 2020

Expert-verified solutions to help you succeed

Showing 1300 - 1400 of 1505
  • 14 / 16