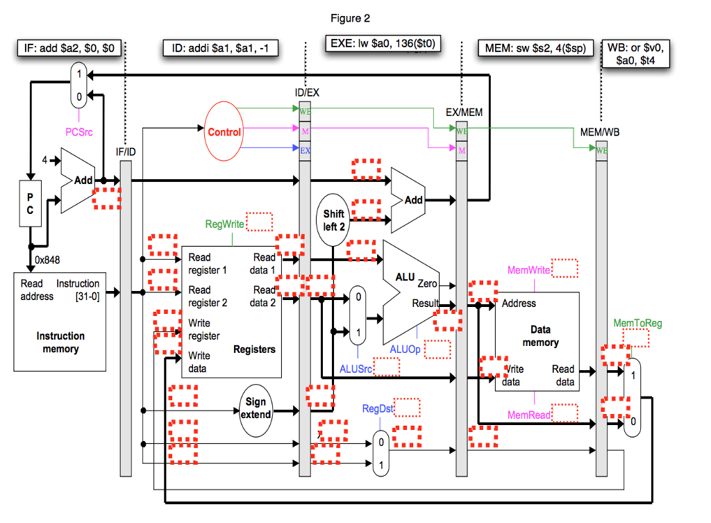
Question: Fill in the datapath values (thick lined boxes) and control signal values (thin lined boxes) for each of the signals on the attached sheet (Figure


Fill in the datapath values (thick lined boxes) and control signal values (thin lined boxes) for each of the signals on the attached sheet (Figure 2). Use the same conventions that we used in lectures: Each register contains its number plus 100. For instance, register $8 contains 108, register $29 contains 129, and so forth. Every data memory location contains 99 . Feel free to place an X in any box whose value isn't important, like the constant field of an R-type instruction, but we will give 10 bonus points to anyone who computes those correctlv. Fill in the datapath values (thick lined boxes) and control signal values (thin lined boxes) for each of the signals on the attached sheet (Figure 2). Use the same conventions that we used in lectures: Each register contains its number plus 100. For instance, register $8 contains 108, register $29 contains 129, and so forth. Every data memory location contains 99 . Feel free to place an X in any box whose value isn't important, like the constant field of an R-type instruction, but we will give 10 bonus points to anyone who computes those correctlv
Step by Step Solution
There are 3 Steps involved in it
Get step-by-step solutions from verified subject matter experts
