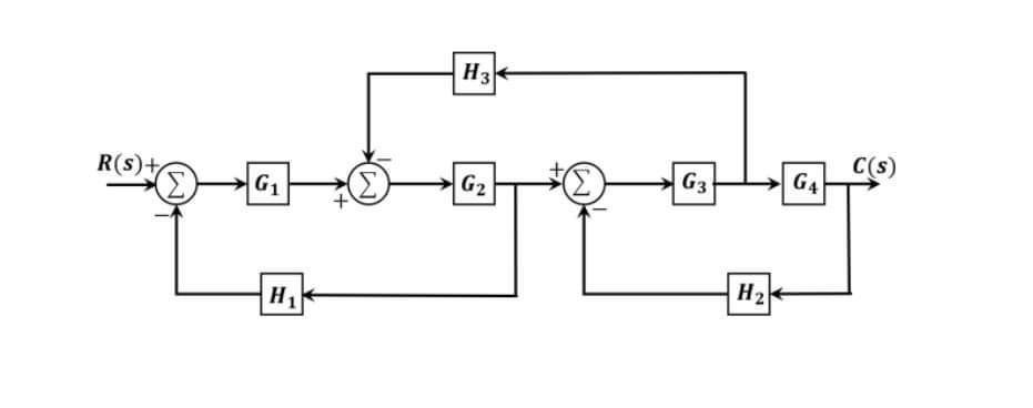
Question: Find the transfer function [ (G(s) = C(s) / R(s) ] between input and output using block diagram reduction rules.
Find the transfer function [ (G(s) = C(s) / R(s) ] between input and output using block diagram reduction rules.
![Find the transfer function [ (G(s) = C(s) / R(s) ] between](https://dsd5zvtm8ll6.cloudfront.net/si.experts.images/questions/2024/09/66e2ca7814b7e_99966e2ca77ad716.jpg)
Step by Step Solution
There are 3 Steps involved in it
Get step-by-step solutions from verified subject matter experts
