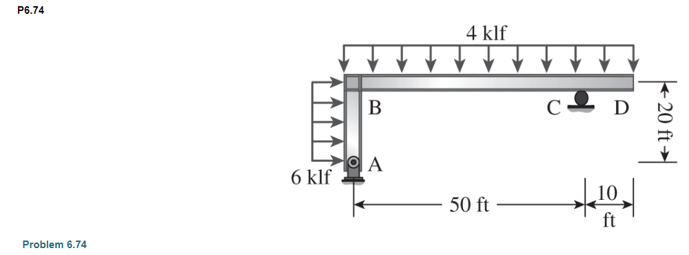
Question: For Problems 6 . 6 6 through 6 . 7 9 , draw the shear and moment diagrams for the frames shown. P 6 .
For Problems through draw the shear and moment diagrams for the frames shown. P
Problem
Step by Step Solution
There are 3 Steps involved in it
1 Expert Approved Answer
Step: 1 Unlock
Question Has Been Solved by an Expert!
Get step-by-step solutions from verified subject matter experts
Step: 2 Unlock
Step: 3 Unlock
