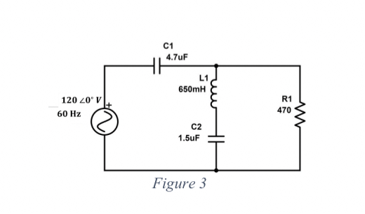
Question: For the circuit shown in Figure 3 3 . , calculate [ 2 0 points ] a . The total current, I S b .
For the circuit shown in Figure
calculate points
a The total current,
b The average power delivered to each element.
c The reactive power for each element.
d The apparent power for each element.
e and Power factor.
Step by Step Solution
There are 3 Steps involved in it
1 Expert Approved Answer
Step: 1 Unlock
Question Has Been Solved by an Expert!
Get step-by-step solutions from verified subject matter experts
Step: 2 Unlock
Step: 3 Unlock
