Question: For this task, we will be modifying the selector above to include an active-low enable. Complete the truth table for the modified selector. Table 2:
For this task, we will be modifying the selector above to include an active-low enable.
Complete the truth table for the modified selector.
Table 2: 4:1 Active-High Selector with Active-Low Enable Truth Table
| E | S1 | S0 | O0 |
Modify the equations to represent the addition of the active-low enable to the multiplexer.
O0 =
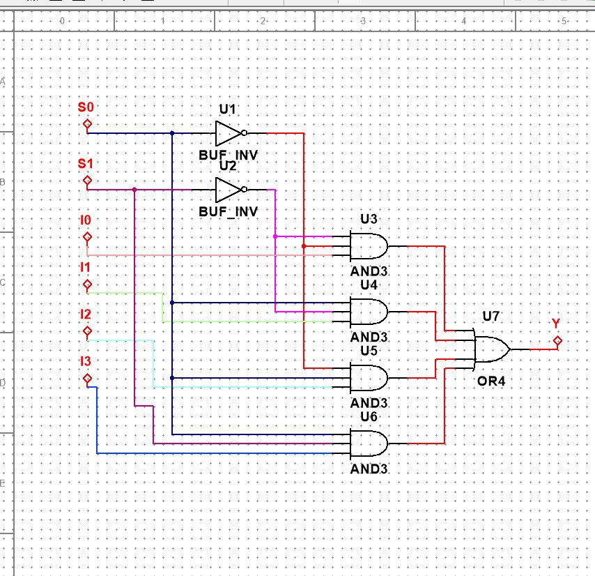
Using the new equations, alter the circuit and hierarchal block from task 1 to include an active low enable. Once your design is completed, compile, test and verify it on the Basys3 board against the truth table. Make sure to take a screenshot of the circuit for your report.


Here is information on the last selector, I could be wrong so please give it a quick lookover and make sure it looks right before spending your time answering. Thank you
S0 BUF INV* S1 BUF INV 10 12 13 OR4 . AND3 S0 BUF INV* S1 BUF INV 10 12 13 OR4 . AND3
Step by Step Solution
There are 3 Steps involved in it
Get step-by-step solutions from verified subject matter experts
