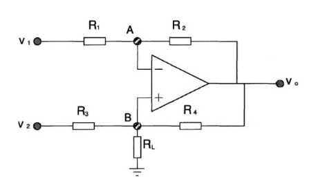
Question: Give the expression for iL , the current flowing in RL as a function of V 1 , V 2 and Vo .
Give the expression for iL the current flowing in RL as a function of V V and Vo
Step by Step Solution
There are 3 Steps involved in it
1 Expert Approved Answer
Step: 1 Unlock
Question Has Been Solved by an Expert!
Get step-by-step solutions from verified subject matter experts
Step: 2 Unlock
Step: 3 Unlock
