Question: Given 4 . 1 . 1 WorkpieceMaterial: 6 0 6 1 Aluminum 6 0 6 1 Aluminum is in VDI 3 3 2 3 Group
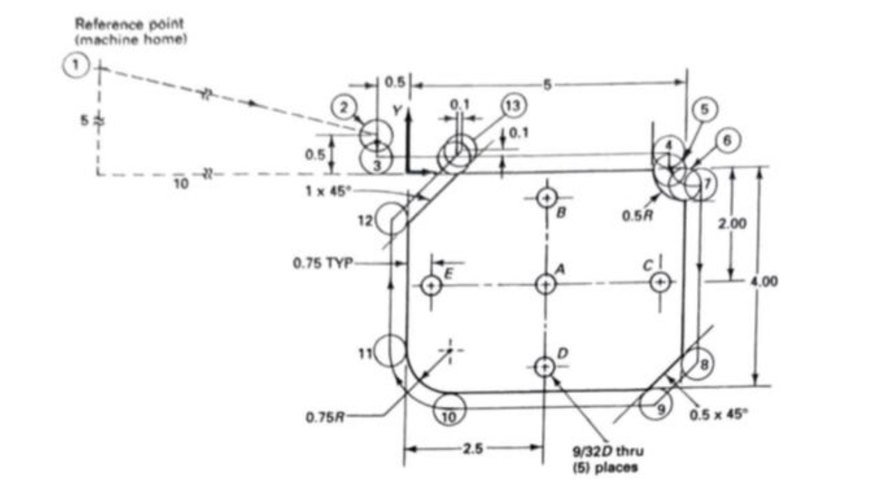
Given WorkpieceMaterial: AluminumAluminum is in VDI Group Use Haas PN as the end mill for all milling operations data sheet and speed and feed tables provided The Part ReferenceZero PRZ is the upper left corner of the part, not the Machine Home position point Use Haas PN as the end mill for all milling operations data sheet and speed and feed tables providedInstructionsFor Exercise andExercise below write a G Code part program by defining the toolpath center of the tool as described in class. This will require mathematical calculations Circular Interpolations:For G and G use lJ K syntax, not R syntaxExercise Use the part drawing shown below to create a G code part program Use your Speed and Feed Calculator Excel file from Lab # to aid in calculating thespeed and feed rates requiredPerform sample calculations in section below. This allows partial credit to be given if the solution is not correct. Use the G Code table, below in section to record your G Code To the right of your G Code, record the function of every word within the block, except the blocks with dash marks we have not covered these functions yet Exercise After creating a part with the part program from Part in section above, you measure both the width and length of the part as oversized. After further investigation you discover the endmill was resharpened, which results in an under sized cutter diameter versus nominal Rewrite the G code to adjust for theundersized endmill diameter. You may neglect the speed and feed impacts from the diameter change. Describingthe function of each line of G Code in Part is not necessary for exercise Lab Comprehension:Understand the Following What is the format of a part program name? What two words are used tochange a tool with an automatic tool changer? What is the purpose, similarity, and difference between GOO and G commands? Logically, why is M positioned in the block sequence it is in rather than earlier or later? Could it be earlier in the program? Could it be later in the program? Did you adjust your feed rate from points to and to How much, why? Did you have to perform additional positioncalculations for position and Why? Logically, why is M positioned in the block sequence it is in rather than earlier or later? Could it be earlier in the program? Could it be later in the program?
Step by Step Solution
There are 3 Steps involved in it
1 Expert Approved Answer
Step: 1 Unlock
Question Has Been Solved by an Expert!
Get step-by-step solutions from verified subject matter experts
Step: 2 Unlock
Step: 3 Unlock
