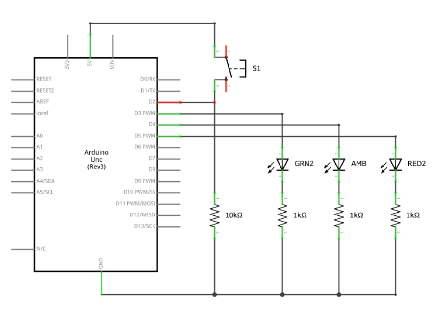
Question: Given that digitalWrite() sets the voltage on an output pin to 0 V (LOW) or 5 V (HIGH), and that the forward voltage of the

Given that digitalWrite() sets the voltage on an output pin to 0 V (LOW) or 5 V (HIGH), and that the forward voltage of the LEDs is 1.8 V, what is the current that flows through an LED when:
i The LED is turned on.
ii The LED is turned off.
Step by Step Solution
There are 3 Steps involved in it
Get step-by-step solutions from verified subject matter experts
