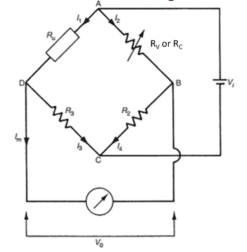
Question: How to solve this question? A null bridge is used to measure temperature with an RTD (Resistance Temperature Detector). The resistance of such as device
How to solve this question?


A null bridge is used to measure temperature with an RTD (Resistance Temperature Detector). The resistance of such as device scales with temperature as: R=R0(1+(TT0)), as illustrated below. R0 is the resistance at a reference temperature T0=0C, and is a calibration constant describing the slope. To what value must the variable resistor (RV) be set to balance the bridge if T=50C, if R2 and R3 are both 500,R0=100 at T= 0C and =0.00395C1
Step by Step Solution
There are 3 Steps involved in it
Get step-by-step solutions from verified subject matter experts
