Question: I having some trouble trying to do a Masonry Takeoff Estimate as this needs to be done on a spreadsheet on Xcel but having a
I having some trouble trying to do a Masonry Takeoff Estimate as this needs to be done on a spreadsheet on Xcel but having a difficult time understanding what I need to do?
1. See figure 6.1 and 6.2 for sizes of concrete blocks and bond beams
2. Blockwork is confined to the office section of this project. The warehouse is finished with insulated cladding, covered by a subcontractor.
3. Determine the quantity of block needed. Areas for openings over 10 SF should be deducted. Areas should be added for block in the pilasters.
4. Determine the amount of mortar needed.
5. Insulation for the block wall cavities is calculated as 14.5 SF of wall per 4 CF bag of insulation.
6. Provide ladder reinforcing in every second course of block. This is determined by taking the area of blockwork and divide it by the spacing 1-4 (two 8 courses).
7. Account for control joints (vertical) every 20 of wall length.
8. Full course bond beams are required at the second floor level and roof line. Bond beams are provided at all openings and should be one block wider than the opening on each side.






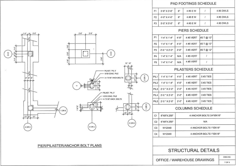
REGULAR BLOCK 15 5/8" (397 mm) 7 5/8 ( (61) or VOID APPROX.5" x 5 1/2" (127 mm x 140 mm) 75/8" (194 mm) LINTEL BLOCK 7 5/8" (194 mm) VOID APPROX. 5" x 6" (127 mm x 152 mm) 7 5/8" (194 mm) 15 5/8" (397 mm) ) Figure 6.1 NOMINAL WALL THICKNESS 4" (102 mm) 6" (152 mm) 8" (203 mm) 10" (254 mm) 12" (305 mm) BLOCK THICKNESS 35" (92 mm) 55" (143 mm) 75%" (194 mm) 95%" (244 mm) 115%" (295 mm) Figure 6.2 1' 0" 2'0" 1'0" 1'0" 1'4" 227 1'0" PILASTER BASIC TRENCH WIDTH GRADE BEAM EXTRA TRENCH WIDTH AT PILASTERS PAD FOOTINGS SCHEDULE F1 346 X 3-8 8 4 SEW 1 4 45 DL5 F2 40 x 4-0 4 AS E W 1 4 H DML5 F3 5-0" X 5.0 8 4 SEW 1 4 5 D5 PIERS SCHEDULE 26 P1 1.4" X 114 45 VERT NT @ 12" P2 1-4X144-6 45 VERT 3T @ 12" P32-00X20 2.0 3 #5 VERT 3T @ 12 3 P4 1'4X 114 NIA 1 4 N5 VERT 4 #5 VERT P5 144 X 144 NIA 1 12 12 PILASTERS SCHEDULE PLAST. PLS 10 CONCLE 421"X18 ANCHBOLTS Co PILT 1-4" X 144 440 4 #5 VERT 5#3 TIES PIL2 114" X 114 440 5 NS TIES PILI 2-0" X 2-0 2-0 4 85 VERT 6 AS VERT 6 #5 VERT 33 TIES -PLAST, PLY 160 CONG, PLE 4.1" X18 ANOK BOLTS PIL42'0X2-09 2-0 3 #3 TIES PILS 240XZO 2-0 6NS VERT 343 TES ORG 12 COLUMNS SCHEDULE 4 ANCHOR BOLTS 3/4"X16 1 21 C1 BXBx 250 4 C2 6"X6"x 250 NA (CORK A DRC DORJ C3 W12X40 4 ANCHOR BOLTS 10X18 4 ANCHOR BOLTS 19x180 CA W12X40 PIER/PILASTER/ANCHOR BOLT PLANS STRUCTURAL DETAILS CWGNO OFFICE / WAREHOUSE DRAWINGS 7 OF B H 50-0 200'-0" 25-0" 25-09 25-0 25-0" 25-0 25-09 25-0" 25-0" 25-09 25-0" 11 PLC 1 PLC PL 12920 PLC PLC PL 303 PLC 25.09 net 25-0" 2 DE PL PLSCH PILSCA 25-0" .54 PLSX PLSCH PESCA 12-612-6" F2P 2 303 25-0 OPCI 25-0" PLC 38 (se PE FUPPLIC PLC PLC PILI 25-09 SLAB ON GRADE CONTROL JOINTS 25' MAX. O.C. EACH WAY 1/8"W X 1/2"DEEP CUTS E FI 6 WAREHOUSE FLOOR CONSTRUCTION -60# NON-METALLIC PLAIN HARDENER -6" CONCRETE FLOOR SLAB RW -6X6X6/6 W.W. MESH ON -6 MIL POLY VAP. BARR -6" COMPACTED 3/4" GRAVEL BASE MAIN FLOOR PLAN MAIN FLOOR CONSTRUCION -6" CONCRETE SLAB R/W -6X6X10/10 W.W. MESH ON -6 MIL POLY ETHYL VAP, BARR -6" COMPACTED GRAVEL BASE Quantity Sheet Description Dimensions Length Width Times Height Mansory Regular Block REGULAR BLOCK 15 5/8" (397 mm) 7 5/8 ( (61) or VOID APPROX.5" x 5 1/2" (127 mm x 140 mm) 75/8" (194 mm) LINTEL BLOCK 7 5/8" (194 mm) VOID APPROX. 5" x 6" (127 mm x 152 mm) 7 5/8" (194 mm) 15 5/8" (397 mm) ) Figure 6.1 NOMINAL WALL THICKNESS 4" (102 mm) 6" (152 mm) 8" (203 mm) 10" (254 mm) 12" (305 mm) BLOCK THICKNESS 35" (92 mm) 55" (143 mm) 75%" (194 mm) 95%" (244 mm) 115%" (295 mm) Figure 6.2 1' 0" 2'0" 1'0" 1'0" 1'4" 227 1'0" PILASTER BASIC TRENCH WIDTH GRADE BEAM EXTRA TRENCH WIDTH AT PILASTERS PAD FOOTINGS SCHEDULE F1 346 X 3-8 8 4 SEW 1 4 45 DL5 F2 40 x 4-0 4 AS E W 1 4 H DML5 F3 5-0" X 5.0 8 4 SEW 1 4 5 D5 PIERS SCHEDULE 26 P1 1.4" X 114 45 VERT NT @ 12" P2 1-4X144-6 45 VERT 3T @ 12" P32-00X20 2.0 3 #5 VERT 3T @ 12 3 P4 1'4X 114 NIA 1 4 N5 VERT 4 #5 VERT P5 144 X 144 NIA 1 12 12 PILASTERS SCHEDULE PLAST. PLS 10 CONCLE 421"X18 ANCHBOLTS Co PILT 1-4" X 144 440 4 #5 VERT 5#3 TIES PIL2 114" X 114 440 5 NS TIES PILI 2-0" X 2-0 2-0 4 85 VERT 6 AS VERT 6 #5 VERT 33 TIES -PLAST, PLY 160 CONG, PLE 4.1" X18 ANOK BOLTS PIL42'0X2-09 2-0 3 #3 TIES PILS 240XZO 2-0 6NS VERT 343 TES ORG 12 COLUMNS SCHEDULE 4 ANCHOR BOLTS 3/4"X16 1 21 C1 BXBx 250 4 C2 6"X6"x 250 NA (CORK A DRC DORJ C3 W12X40 4 ANCHOR BOLTS 10X18 4 ANCHOR BOLTS 19x180 CA W12X40 PIER/PILASTER/ANCHOR BOLT PLANS STRUCTURAL DETAILS CWGNO OFFICE / WAREHOUSE DRAWINGS 7 OF B H 50-0 200'-0" 25-0" 25-09 25-0 25-0" 25-0 25-09 25-0" 25-0" 25-09 25-0" 11 PLC 1 PLC PL 12920 PLC PLC PL 303 PLC 25.09 net 25-0" 2 DE PL PLSCH PILSCA 25-0" .54 PLSX PLSCH PESCA 12-612-6" F2P 2 303 25-0 OPCI 25-0" PLC 38 (se PE FUPPLIC PLC PLC PILI 25-09 SLAB ON GRADE CONTROL JOINTS 25' MAX. O.C. EACH WAY 1/8"W X 1/2"DEEP CUTS E FI 6 WAREHOUSE FLOOR CONSTRUCTION -60# NON-METALLIC PLAIN HARDENER -6" CONCRETE FLOOR SLAB RW -6X6X6/6 W.W. MESH ON -6 MIL POLY VAP. BARR -6" COMPACTED 3/4" GRAVEL BASE MAIN FLOOR PLAN MAIN FLOOR CONSTRUCION -6" CONCRETE SLAB R/W -6X6X10/10 W.W. MESH ON -6 MIL POLY ETHYL VAP, BARR -6" COMPACTED GRAVEL BASE Quantity Sheet Description Dimensions Length Width Times Height Mansory Regular Block
Step by Step Solution
There are 3 Steps involved in it
Get step-by-step solutions from verified subject matter experts
