Question: I need a breadboard for the following problem: A Universal Serial Bus (USB) communication link requires a circuit that produces the sequence 0000001. You are
I need a breadboard for the following problem:
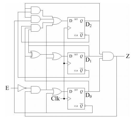
A Universal Serial Bus (USB) communication link requires a circuit that produces the sequence 0000001. You are to design a synchronous sequential circuit that starts producing this sequence for input E=1. Once the sequence starts it completes. If E=1, during the last output in the sequence, the sequence repeats. Otherwise, if E=0, the output remains constant at 1.



I like to use 123d.circuits.io to build a breadboard but any solution will be good.
Solution: We can state diagramfor the output 00000001 as follows So/0 S1/0 S2/0 S3/0 E=1 S7/1 S6/0 S5/0 S4/0 E=0 We can write the state transition table as follows: Here eight states SO to S7. So we can use three input linesDO,D1 and D2 along with E Given:Once the sequence starts it completes. If E-1, during the last output in the sequence, the sequence repeats. Otherwise, if E-0, the output remains constant at 1. Input E Output Present State D2D1DO Next State E=0/ 1 001 001 010 011 100 010 011 100 101
Step by Step Solution
There are 3 Steps involved in it
Get step-by-step solutions from verified subject matter experts
