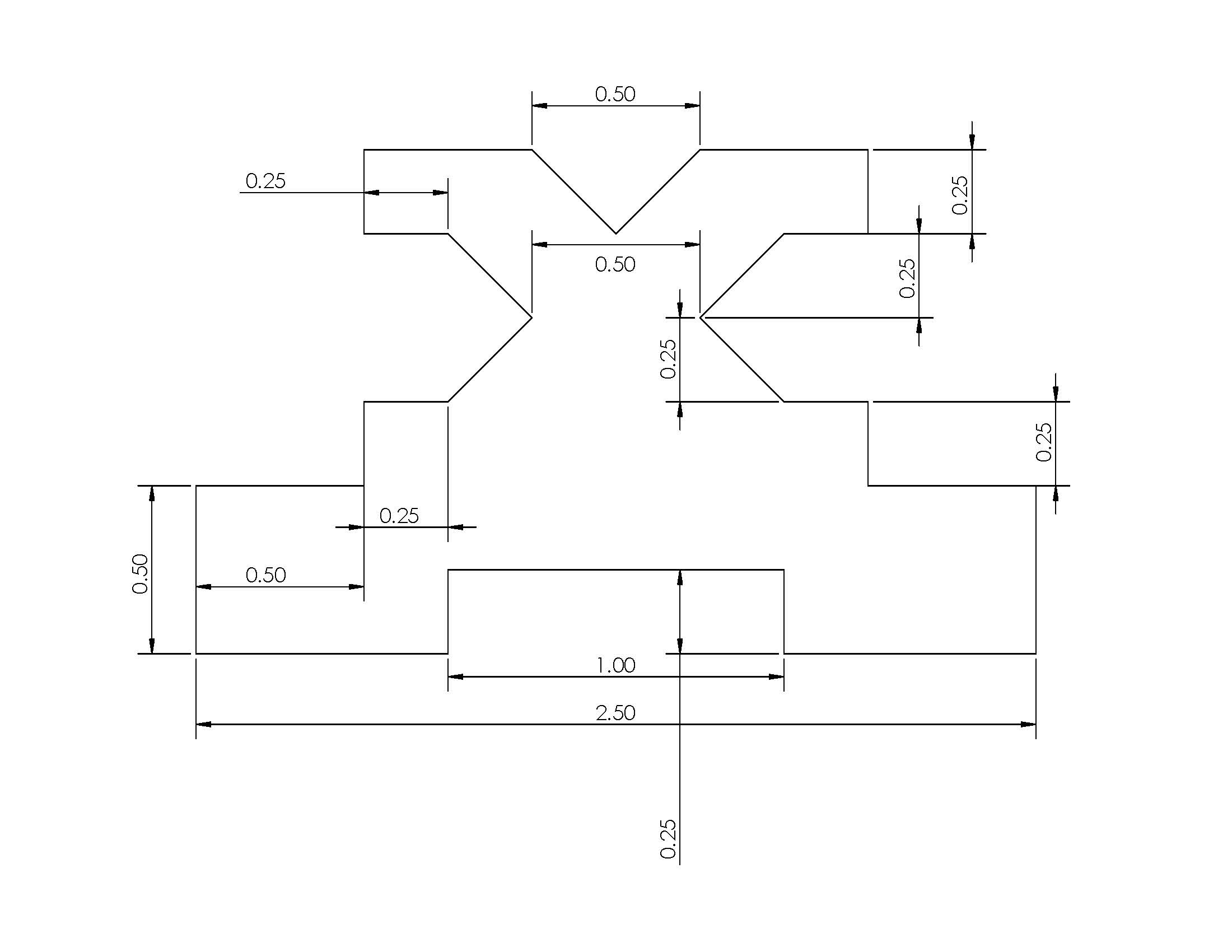
Question: I need help creating a G - Code program for the part shown. I understand the linear moves but I do not understand calculating the
I need help creating a GCode program for the part shown. I understand the linear moves but I do not understand calculating the angles where the cutter should start and stop. I am only allowed to use G and G and a endmill. I know how to plot the first points if my origin is at the bottom left but when the next linear movement to the first angle I am confused on where to stop the endmill. I am looking for a explanation on how to calculate so I can finish writing the program.
Step by Step Solution
There are 3 Steps involved in it
1 Expert Approved Answer
Step: 1 Unlock
Question Has Been Solved by an Expert!
Get step-by-step solutions from verified subject matter experts
Step: 2 Unlock
Step: 3 Unlock
