Question: List the four essential elements of a process control system and briefly explain them. Define the term lag and dead time in the context of
List the four essential elements of a process control system and briefly explain them.
Define the term "lag" and "dead time" in the context of process control.
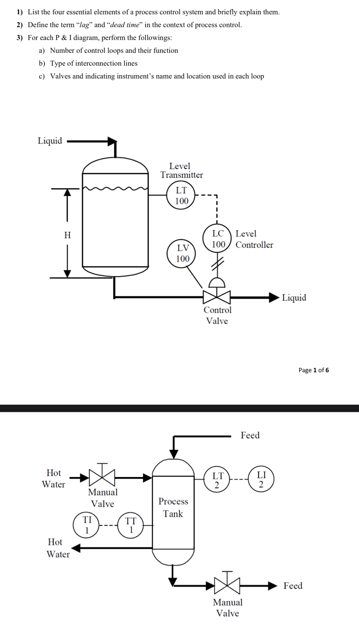
For each P & I diagram, perform the followings:
a Number of control loops and their function
b Type of interconnection lines
c Valves and indicating instrument's name and location used in each loop
Page of
Step by Step Solution
There are 3 Steps involved in it
1 Expert Approved Answer
Step: 1 Unlock
Question Has Been Solved by an Expert!
Get step-by-step solutions from verified subject matter experts
Step: 2 Unlock
Step: 3 Unlock
