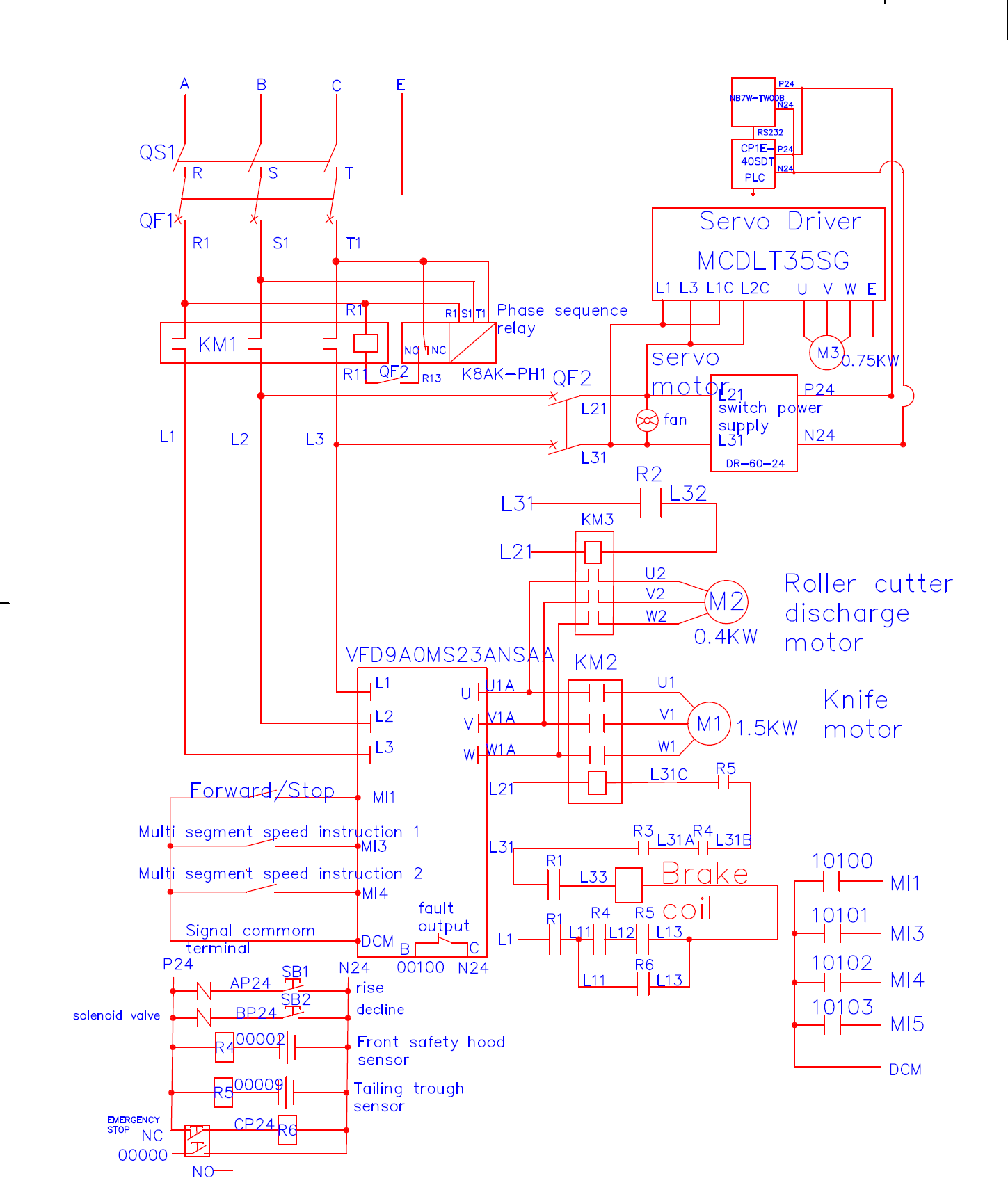
Question: Make a 2 page report for this Industrial Control Panel, Schematic is provided. Follow the guidelines below for the write up. Learning Skills Assessed: Critical
Make a 2 page report for this Industrial Control Panel, Schematic is provided.
Follow the guidelines below for the write up.
Learning Skills Assessed: Critical Thinking, Communication Skills and Information Literacy. Purpose: The objective of this assignment is to assess engineering students' critical thinking , written communication and information literacy skills. The individual students assessment data is confidential. Learning Objectives: This assignment will assess engineering students' achievement of the following Student Learning Outcomes: ? An ability to communicate (written) effectively with a range of audiences. (Written Communication) ? An ability to develop and conduct appropriate experimentation, analyze and interpret data, and use engineering judgment to draw conclusions. (Critical Thinking) ? An ability to locate, evaluate scientific information, effectively integrate such information and correctly and completely cite and reference such information. (Information Literacy) Prompt: You are considered for an on-site job interview and are required to discuss your senior project work. The panel is skeptical about your findings. Defend your work by writing a executive summary of your project. project that addresses the listed topics below in the following order: 1. Define the objective of the project by identifying the problem(s)/issue(s). 2. Student identifies and analyzes other perspectives (arguments) and presents his/her own perspective or position ( (i.e. literature review) 3. Student use(s) evidence and data to support their position(s) through discussion of their results. (This can include a figure/data plot or table that assists your ability to discuss your final results. Clearly label all figures/data plot or table with a number and descriptive title. Reference the Figure or Table number in the text above the figure or table. Figure numbers and titles go below the figure, table numbers and titles go above the table). 4. Student draws adequate conclusion(s) given their result(s) (This could include pros and cons of your final design, application of design and/or recommendations for future design. Which is supported by numerical values (i.e results) as evidence to support your conclusion.) 5. References (program specific referencing: IEEE, AICHE, AIAA, ASME, ASCE, IISE, SME, and ASEE) Instructions for the write-up ? Your write-up should be structured in a series of coherent paragraphs. You may or may not use section headers. If you would like to use section headings, please use appropriate terminology such as: Introduction (purpose, objective, and scope of the problem or issue identified), Literature Review (present your and other perspectives), Results and Discussion(provides data, analysis of data and discussion of results), and Conclusion. ? Your write-up should be approximately 2 to 3 page long with a page of graphics and a page for references. ? Your write-up should be single-spaced, Times New Roman, 12-point Font and formatted to 1-inch margins (use template provided)


Step by Step Solution
There are 3 Steps involved in it
Get step-by-step solutions from verified subject matter experts
