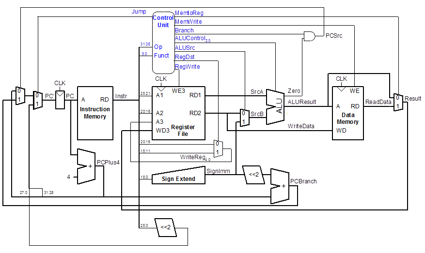
Question: Make any additions or changes to the datapath which are needed in order to make the RTLs for the instructions possible. The base datapath should
Make any additions or changes to the datapath which are needed in order to make the RTLs for the instructions possible. The base datapath should be in black, with changes marked in red and other colors one color per new instruction
New Instructions:
New: bconxnori
bcon Branch if consecutive: This Itype instruction branches to the target address only if RFrt has the value of a consecutive address value held in RFrsWhen the value in RFrt is RFrs and word aligned, ie divisible by Otherwise, the branch is not taken. Usage: bcon rs rt label. Example: bcon $a $a loopStart when $a is and $a is the branch is taken
xnori: This Itype instruction zeroextends the given immediate then bitwise XNORs it with RFrsXNOR is the complement of the XOR operation, returns if either both bits are zero or both bits are one
The result is written into RFrt Example: xori $t $tx
Step by Step Solution
There are 3 Steps involved in it
1 Expert Approved Answer
Step: 1 Unlock
Question Has Been Solved by an Expert!
Get step-by-step solutions from verified subject matter experts
Step: 2 Unlock
Step: 3 Unlock
