Question: Note: Solve Part C and D step by step, please. (Computer Architecture course) For each question below, notate the block diagram with hexadecimal input values
Note: Solve Part C and D step by step, please. (Computer Architecture course)




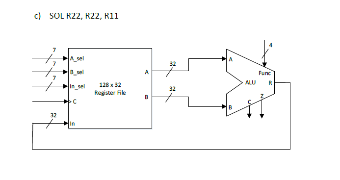
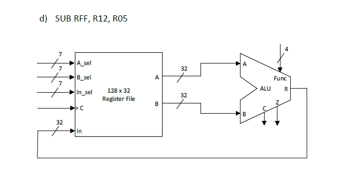
For each question below, notate the block diagram with hexadecimal input values (or clock edge direction) required to execute the instruction (all values are in hex). Use Don't Cares (b) when appropriate. The ALU has the following functions: For example: to execute the instruction ADD R03, R6A, RAD we first describe the operation in RTL as R03 R6A+RAD. We see the operation is ADD. From the table above we learn the ALU function code for ADD is 0 hex. The ALU function code must drive the ALU's function input bus (Func) with the hex value 0 . The destination is R03, so the destination selection bus (In_sel) must be driven with the hex value 03. Similarly, the two sources of data are R6A and RAD, so the two source select buses (A_sel and B_sel) must be driven with the hex values 6A and AD. Since ADD is commutative we don't have to worry about which source value drives which ALU input. Let us therefore drive the A_sel bus with the hex value 6A and the B_sel bus with AD. We can tell from the diagram the register file is rising edge triggered, so the clock signal (C) must be driven by a rising edge () : c) SOL R22, R22, R11 d) SUB RFF, R12, R05
Step by Step Solution
There are 3 Steps involved in it
Get step-by-step solutions from verified subject matter experts
