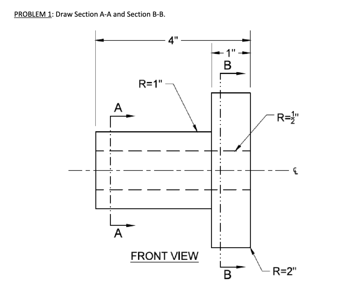
Question: PROBLEM 1: Draw Section A-A and Section B-B. A R=1 4 - 1 B R= A FRONT VIEW B R=2 PROBLEM 2: Draw Section

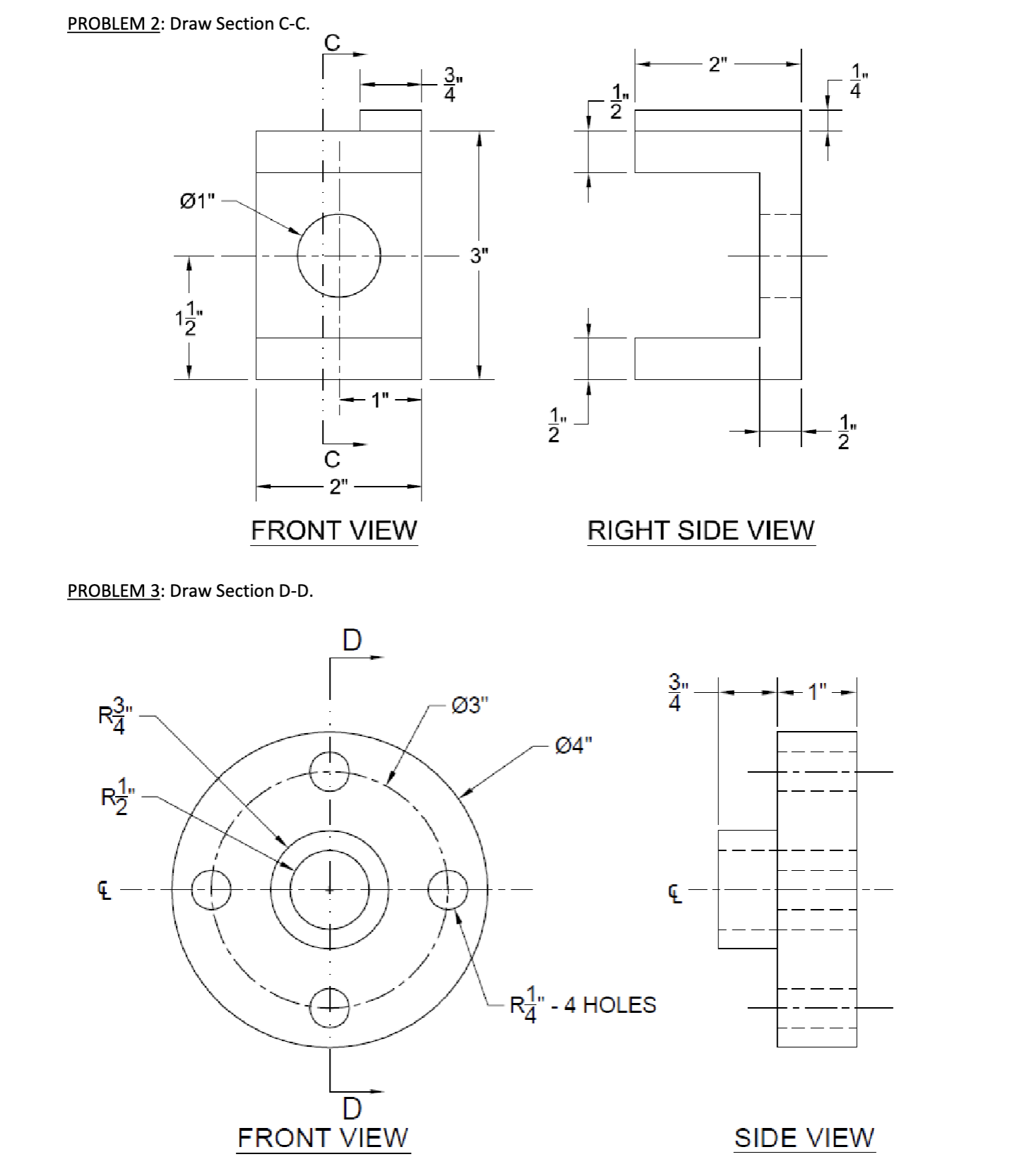
PROBLEM 1: Draw Section A-A and Section B-B. A R=1" 4" - 1" B R=" A FRONT VIEW B R=2" PROBLEM 2: Draw Section C-C. 01" C 1" 2" FRONT VIEW PROBLEM 3: Draw Section D-D. E R 1. 2 D 03" 04" D FRONT VIEW NIZ 2" RIGHT SIDE VIEW R" - 4 HOLES DW 1" SIDE VIEW N
Step by Step Solution
There are 3 Steps involved in it
Get step-by-step solutions from verified subject matter experts
