Question: QUESTION 1 Consider the 4 location, 3 bit wordsize memory that was covered in lecture. Assume that the memory has been powered on and that
QUESTION 1
-
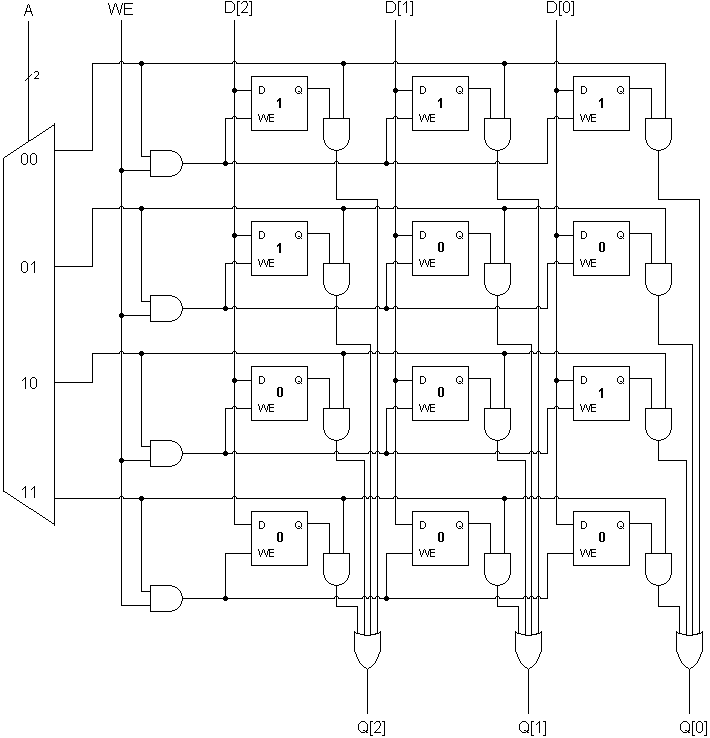
Consider the 4 location, 3 bit wordsize memory that was covered in lecture. Assume that the memory has been powered on and that each Gated D Latch is initialized with the value shown in the center of the latch in the diagram below.
4 by 3 bit Memory

Perform a series of read and write operations to this memory. For each row in the table give (in unsigned binary) the inputs that will perform the required read or write operation. For reads, also give the value read from the memory. Note: I will give you addresses and data values in decimal, but you need to give me the input/output values in unsigned binary! You should do the operations in order (top to bottom) and update the values in each latch as your progress (i.e. carry writes forward to later reads).
Operation
A
WE
D
Q
Read location 1
Write 6 to location 3
Write 0 to location 2
Read location 3
Read location 1
Write 5 to location 0
Read location 3
Read location 0
QUESTION 2
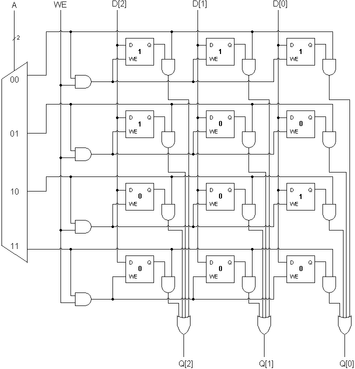
Consider the 4 location, 3 bit wordsize memory that was covered in lecture. Assume that the memory has been powered on and that each Gated D Latch is initialized with the value shown in the center of the latch in the diagram below.
4 by 3 bit Memory

Give the final values (in unsigned binary) of each location of the memory after performing the operations from the previous question (#3).
| Address | Value (in unsigned binary) | |||
| 00 |
|
|
|
|
| 01 |
|
|
|
|
| 10 |
|
|
|
|
| 11 |
|
|
|
|
QUESTION 3
Memory Sizing
NOTE: K (kilo) means 1024, not 1000. A byte (B) is 8 bits. A kilobyte (KB) is therefore 8 x 1024 = 8192 bits.
a) A 32 KB (kilobytes) memory has a 16 bit wordsize. How many words total can be stored in this memory? words
b) A 256 KB memory has a 32 bit wordsize. How many bits are required to address this memory? bits
c) A computer memory has a 128 bit wordsize. It is made up of 4096 addressable locations. How large is thememory in bytes? bytes
d) A computer memory has 10 address bits, and its word size is 16 bits. How large is the memory in bytes? bytes
WE D[2] D[11 D[O] WE 17 00 WE WE D Q WE WE Q[2] Q[1] Q[0] WE D[2] D[11 D[O] WE 17 00 WE WE D Q WE WE Q[2] Q[1] Q[0]
Step by Step Solution
There are 3 Steps involved in it
Get step-by-step solutions from verified subject matter experts
