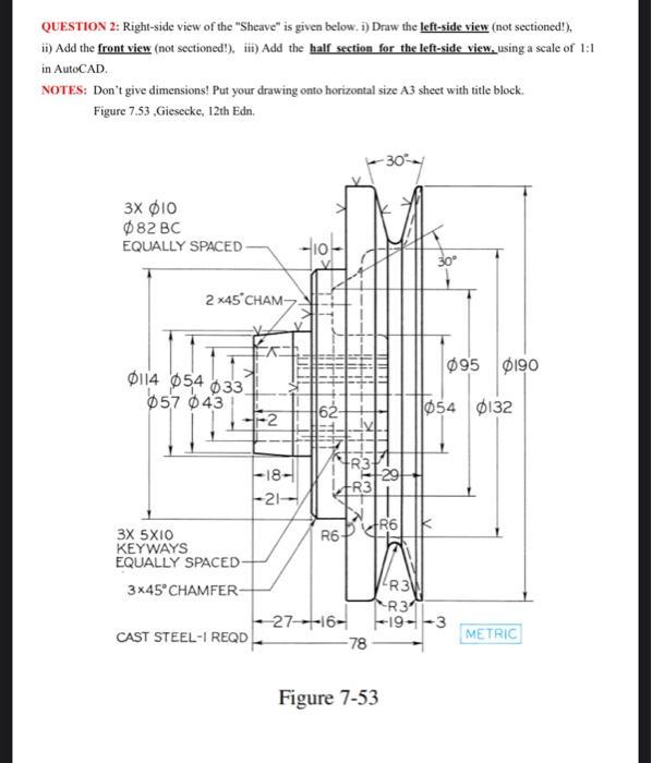
Question: QUESTION 2 : Right - side view of the Sheave is given below, i Show all images Show all images Show all images done loading
QUESTION : Rightside view of the "Sheave" is given below, i
Step by Step Solution
There are 3 Steps involved in it
1 Expert Approved Answer
Step: 1 Unlock
Question Has Been Solved by an Expert!
Get step-by-step solutions from verified subject matter experts
Step: 2 Unlock
Step: 3 Unlock
