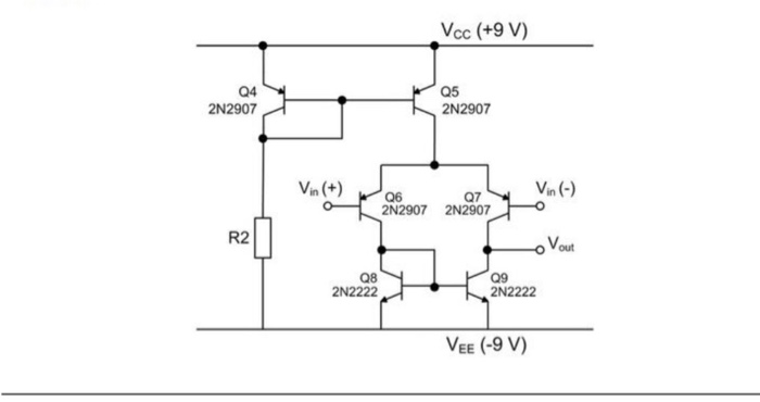
Question: QUESTION 810 points Save Answer For the differential input stage shown below, the differential input impedance is required to be 100kS2. Estimate the bias current


QUESTION 810 points Save Answer For the differential input stage shown below, the differential input impedance is required to be 100kS2. Estimate the bias current in the differential amplifier to meet this specification. Hence calculate the value of the differential gain Avd. The Early voltage of the NPN transistor is 150 V and that for the PNP is 50 V. 2 Vcc (+9 V) 04 2N2907 05 2N2907 Vin ()0 Vin (- 2N2907 2N2907 R2 out 08 2N2222 09 2N2222 VEE (-9 V) OPAMP circuit. Assume for the NPN transistor, -- 255; rce-VA/lc (VA is given in the questions where it is required) Use VBE=0.6V for all the transistors. Provide the numerical answers with THREE DECIMAL PLACES at least
Step by Step Solution
There are 3 Steps involved in it
Get step-by-step solutions from verified subject matter experts
