Question: Series and Parallel Circuits Assignment Question 1 In a series circuit, which parameters remain constant across all circuit elements, such as a resistor, capacitor, and





Series and Parallel Circuits Assignment
Question 1
In a series circuit, which parameters remain constant across all circuit elements, such as a resistor, capacitor, and inductor?
Question 2
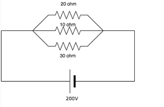
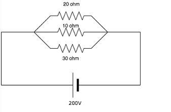
Voltage across the 60 resistor is______________








\f20 ohm 10 ohm 30 ohm 200V\fA 5 ohm 10 ohm 15 ohm 20 ohm
Step by Step Solution
There are 3 Steps involved in it
Get step-by-step solutions from verified subject matter experts
