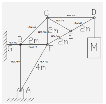
Question: Show me the steps to solve for the force in member BC , the Mass M is 5 0 0 kg
Show me the steps to solve for the force in member BC the Mass M is kg
Step by Step Solution
There are 3 Steps involved in it
1 Expert Approved Answer
Step: 1 Unlock
Question Has Been Solved by an Expert!
Get step-by-step solutions from verified subject matter experts
Step: 2 Unlock
Step: 3 Unlock
