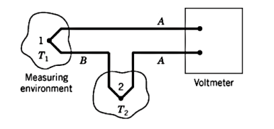
Question: T, Measuring environment B 2 T2 A A Voltmeter
T, Measuring environment B 2 T2 A A Voltmeter
Step by Step Solution
There are 3 Steps involved in it
Get step-by-step solutions from verified subject matter experts
