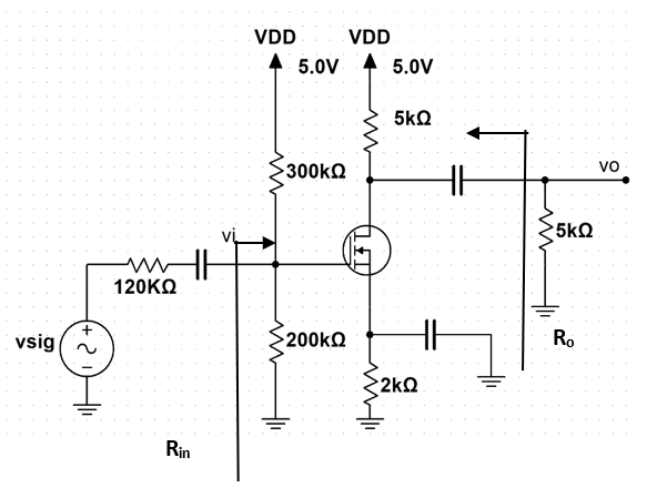
Question: The circuit shown below is a common source amplifier. The transistor has Vt = 0 . 7 V , and Kn = 1 1 mA
The circuit shown below is a common source amplifier. The transistor has Vt V and Kn mAV
a Find VGS ID and VD Check that the NMOS is in SAT
b Find gm and ro if VA V
c Draw a complete small signal hybrid equivalent circuit of the amplifier.
d Find Rin and Ro
e Find the voltage gain of the amplifier Av vo vi with and without the bypass capacitor across RS
f Find the overall voltage gain Gv vo vsig All capacitors behave as short circuits for signals and open circuits for DC
Step by Step Solution
There are 3 Steps involved in it
1 Expert Approved Answer
Step: 1 Unlock
Question Has Been Solved by an Expert!
Get step-by-step solutions from verified subject matter experts
Step: 2 Unlock
Step: 3 Unlock
