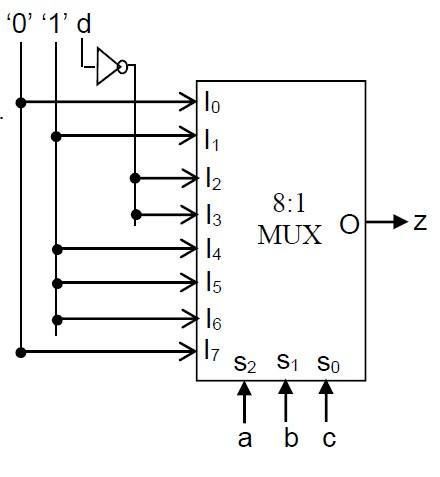
Question: The given circuit has four inputs (a,b,c,d) and one output (Z). a) Construct the truth table of this circuit and simplify the expression. b) Draw
The given circuit has four inputs (a,b,c,d) and one output (Z).
a) Construct the truth table of this circuit and simplify the expression.
b) Draw the same circuit using a 4x16 decoder and other necessary logic gates
. 
'0''1'd lo 11 12 13 14 > 15 16 17 8:1 MUX OHZ S2 S1 So fff a a bc
Step by Step Solution
There are 3 Steps involved in it
Get step-by-step solutions from verified subject matter experts
