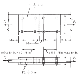
Question: Two plates are spliced together with 3 / 4 - in . - diameter A 3 2 5 - X bolts by a butt splice
Two plates are spliced together with indiameter AX bolts by a butt splice as shown. Determine the tensile capacity of the splice if there are three bolts in a cross section and the member is made of A steel. The width, thickness, and total number of bolts on each side of the splice are as follows:
a w in t in N
b w in t in N
Step by Step Solution
There are 3 Steps involved in it
1 Expert Approved Answer
Step: 1 Unlock
Question Has Been Solved by an Expert!
Get step-by-step solutions from verified subject matter experts
Step: 2 Unlock
Step: 3 Unlock
