Question: Use D-flip flop to design a sequential circuit for 3-bit counter for even and odd numbers. Use an input x. to control the counter; when
- Use D-flip flop to design a sequential circuit for 3-bit counter for even and odd numbers. Use an input x. to control the counter; when x= 0, the state of the counter does not change. When x = 1, the state sequence is incremented to the next count. Use another input y to change from even count to odd count and vice versa. Switching between the even and odd counts is accomplished by y where y=0 is used for the even counts and y=1 is used for the odd counts.
The even counts are: 000, 010, 100, 110 , and repeat. The odd counts are: 001, 011, 101, 111, and repeat.
When y=0, any odd count is initialized to 000 regardless of the value of x and when y=1, any even count is initialized to 001.




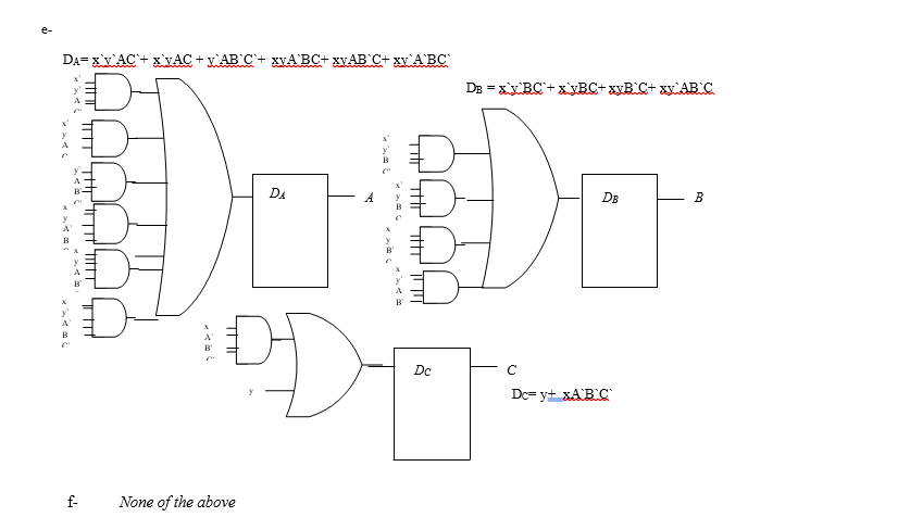
4 -ip flop to deaign a seqnticiuit for 3-hit conter foren and oddmmbera. Use an input x to contral the omunter, whenx-O, the atate of the coonter does not change When x1, the state sequence is incremented to the nest count Uae snother inputy no charge from even count to odd 1wad for the odd coints nother inpur y ro change from evto od count and vice vera switrhme henveen the even and odd coimts ta Kromplished br v where y KLa ed for the even ooantand y Tbe eveacos ae 000, 010, 100, 110 nd epeat The odd cous re001, 0, 101, 11, and repeat Wheny-0, any odd count as uutalzed to 000 egardless ofthealue ofxand when y-1, ary ore cou 1s uutalized to 001 iii- Draw the circuit logic diagram and match it to one of the following Da= xYAC+ xVAC + ABC+ wyd BC+ xy.ABC+ xyABC DB Dc DB Dc DB Dc DB Dc DB Da A DcC f None of the above
Step by Step Solution
There are 3 Steps involved in it
Get step-by-step solutions from verified subject matter experts
