Question: use this (a) Modify the single-cycle MIPS microarchitecture such that it supports each one of the following native (aka supported by MIPS) and non-native (unsupported

use this


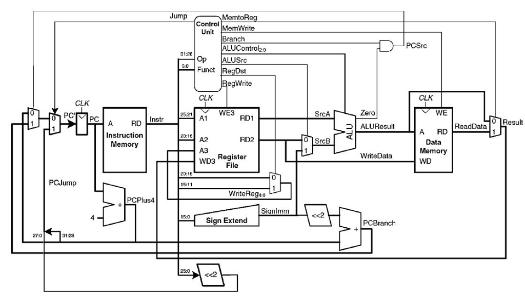
(a) Modify the single-cycle MIPS microarchitecture such that it supports each one of the following native (aka supported by MIPS) and non-native (unsupported by MIPS) instructions. Annotate a copy of the single-cycle MIPS microarchitecture schematic diagram (attached to this document) to indicate the changes to the data-path. Name any new control signals and annotate the truth tables of control signals (attached to this document) to show the changes to the ALU and main control unit instructor decoder. Describe any other required changes and clearly state any assumptions you make Native MIPS instructions o srl (a) Modify the single-cycle MIPS microarchitecture such that it supports each one of the following native (aka supported by MIPS) and non-native (unsupported by MIPS) instructions. Annotate a copy of the single-cycle MIPS microarchitecture schematic diagram (attached to this document) to indicate the changes to the data-path. Name any new control signals and annotate the truth tables of control signals (attached to this document) to show the changes to the ALU and main control unit instructor decoder. Describe any other required changes and clearly state any assumptions you make Native MIPS instructions o srl
Step by Step Solution
There are 3 Steps involved in it
Get step-by-step solutions from verified subject matter experts
