Question: Using Separate Bank Write Strobe methodology, draw a diagram to show how to connect an 8086 microprocessor to 128KB of RAM starting at address E0000H
Using Separate Bank Write Strobe methodology, draw a diagram to show how to connect an 8086 microprocessor to 128KB of RAM starting at address E0000H and using 64K x 4 SRAM chips. (10 point)

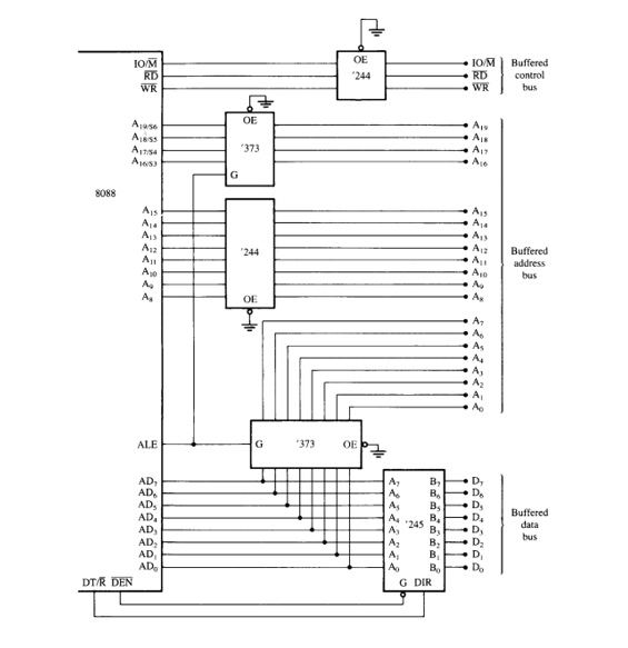
7 OE IOM RD WR IO/M RD WR Buffered control bus OE A95 Aless A17/54 AA 373 A, Ais A, ALE G 8088 As A, As AL A, Az '244 AI Buffered address bus A, 233 OE A A A. As A A, A A. ALE G 373 OE Z AD AD 245 A B As B B A B A, B A; B A, B B G DIR AD AD AD AD AD AD DT/R DEN D D. D D. D D. D D. Buffered data bus
Step by Step Solution
There are 3 Steps involved in it
Get step-by-step solutions from verified subject matter experts
