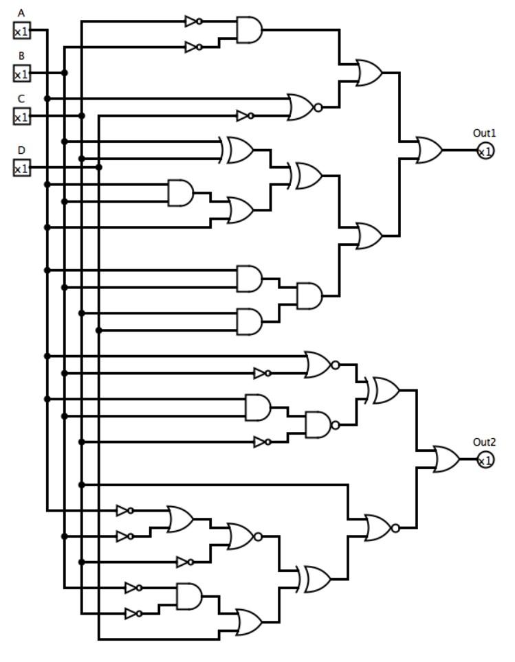
Question: Using the given delays for the circuit components, find the Contamination delay for this circuit. - Some values for components may not always make sense


Using the given delays for the circuit components, find the Contamination delay for this circuit. - Some values for components may not always make sense (for example NOT gates having larger delays than AND gates). - This is a product of using purely random values, so just go with them anyways - If the circuit is too small for you to see you can download the image and open it to zoom in
Step by Step Solution
There are 3 Steps involved in it
Get step-by-step solutions from verified subject matter experts
